
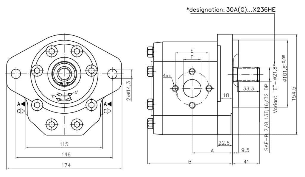
Grup 30-HX236 Hidrolik Dişli Pompa Sol Dönüş - 50 cm³/devir
Avrupa Hidrolik Pnomatik San. Tic. Ltd. Şti.
MAĞAZAYA GİT 6.852,445
Artı KDV
Durum
Yeni
Stok
5 Adet
Teslim Süresi
1 İş Günü
Garanti
3 Ay
İlan Numarası66310
Lokasyon
İSTANBUL, Türkiye
MarkaHYDRO-PACK
Ürün ModeliH30A50X236
Üretim Yılı
2024
Ürünler
Farklı nitelikler seçerek aramanızı daraltabilirsiniz.
| Stok Adı | Nitelik 1 | Nitelik 2 | Nitelik 3 | Nitelik 4 | Adet | Paketleme | Fiyat | |
|---|---|---|---|---|---|---|---|---|
012345678987 Stok Mevcut | 20mm | 20mm | 20mm | 20mm | Adet | ₺ 1.345,00 | ||
012345678987 Stok Mevcut | 20mm | 20mm | 20mm | 20mm | Adet | ₺ 1.345,00 | ||
012345678987 Stok Yok | 20mm | 20mm | 20mm | 20mm | Adet | ₺ 1.345,00 |
Pompanın Debisi (L/min)75 (L/min)
Pompa Daimi Basıncı (bar)200 (bar)
Pompa Max.Hızı (rpm)2000 (rpm)
Pompa Min.Hızı (rpm) (rpm)
İşletme/Devreye AlmaDahil Değil
NakliyeDahil Değil
Elektrik Bağlantısı (V)50 Hz/1/230V
Kurulu Güç (kW)0.91
Kredi Kartı İle Alışveriş
Bu ürünü kredi kartı ile 12 aya varan taksit seçenekleri veya tek çekim avantajıyla hemen satın alabilirsiniz.